导 读
近日,平谷区东撞路(云打路-密三路)项目同步核发《国有建设用地划拨决定书》和《不动产权证书》,实现全市首例地下立体空间项目“交地即交证”。

东撞路(云打路-密三路)项目西起云打路,东至密三路,全长约1.8公里,是平谷区马坊镇物流区域交通网络的核心枢纽工程。道路采用闭合框架结构形式下穿平谷地方铁路。市规划自然资源委平谷分局在市规划自然资源委的指导下,创新采用立体钉桩,设置地下宗地,开展三维地籍调查,通过技术与机制革新多项举措,实现地下立体空间“交地即交证”,为明晰地下空间产权关系、资源高效开发利用提供有力支撑。
立体钉桩定界,精准锁定空间范围。道路下穿铁路段引入高精度三维测绘技术,利用卫星定位系统(GNSS),对下穿段的空间界址进行精确界定。明确箱顶和结构底设计标高,同步记录平面坐标以及北京地方高程数据,准确界定地下路段空间范围,构建三维空间界址框架,为后续产权确认提供坚实基础。

项目规划设计图
部门联动共享,加速集体土地变更。平谷分局保护、审批及不动产登记等部门建立内部联动机制,实现征地信息实时共享和业务协同办理。依托全路段钉桩成果,1个工作日内补充完善项目土地征收涉及11宗集体土地更新的地籍调查成果,并及时完成变更登记,有效保障项目供地手续高效推进。
地籍调查前置,实现“一码关联”。依托前期钉桩成果,平谷分局将地籍调查前置到土地划拨阶段,将原有二维地籍调查的四至拓展至三维立体空间的六至,并区分水平与竖直,将界址点拓展至界址面;对全路段2宗地表(标识码为“GB”)及1宗地下(标识码为“GX”)用地预编不动产单元代码,应用于土地供应和后续业务环节,实现“一码关联”全过程数据可溯。
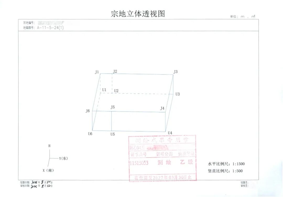
多维度图示呈现,直观展示空间关系。创新采用宗地平面图、立面图、立体透视图等多维度不动产单元图,清晰标注下穿道路的平面边界、垂直位置及高程信息,直观呈现下穿道路与周边宗地的空间关系,实现图属一体管理,为规划、建设、管理提供决策依据。


宗地立面图、立体透视图
采用三维建模技术,构建三维产权体。利用全市初步搭建的三维地籍系统,将三维地籍数据导入,形成三维产权体模型,不仅可以将权属关系立体化展现,更将二维管理数据嵌入三维模型中,形成二三维一体化管理的数据成果。未来,还可利用BIM、灰模、分层分户图等数据构建三维产权体模型。


三维地籍系统
无缝衔接办理,实现“交地即交证”。平谷分局主动提前服务,帮助项目单位完善产权登记所需申请材料,实现审批、调查、登记与交地环节的无缝对接。通过优化流程、压缩时限,将原本串联办理的多个环节整合为同步推进,在完成土地交付手续的当天即同步核发不动产权证书,大幅提升行政服务效能,降低了企业时间与资金成本,更体现了“平谷加速度”的服务理念,为优化区域营商环境、推动重点项目落地投产提供了有力保障。